Masina selectată

AUDI A6 (4F2) 3.0 TDI quattro
Ani fabricaţie
2004-2006
Cilindree
2967 CMC
Cai putere
225
KW
165
Combustibil
motor diesel
Cod motor
BMK
Caută o maşină
Autentificare
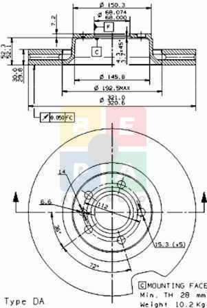
Detalii piesă
Cod articol
2498328
Tip articol
Disc frana
Producător
AP
Preţ
Din pacate, pretul pentru acest produs nu este disponibil pe site.
Lasă-ne datele tale de contact si in cel mai scurt timp iti vom trimite o oferta de pret pentru acest produs.
Caracteristici
pentru numar articol
09.9534.14
Procesare
continut ridicat de carbon
Tip disc frâna
ventilat interior
Diametru [mm]
321
Grosime disc frâna [mm]
30
Grosime minima [mm]
28
Înaltime [mm]
59,4
Diametru de centrare [mm]
68
Numar gauri
5
Articol extins/Info extins 2
cu suruburi


