Masina selectată

LANCIA THEMA (834) 8.32 (834F)
Ani fabricaţie
1987-1989
Cilindree
2927 CMC
Cai putere
215
KW
158
Combustibil
benzina
Cod motor
F 105 L
Caută o maşină
Autentificare
Detalii piesă
Cod articol
2498261
Tip articol
Disc frana
Producător
AP
Preţ
Din pacate, pretul pentru acest produs nu este disponibil pe site.
Lasă-ne datele tale de contact si in cel mai scurt timp iti vom trimite o oferta de pret pentru acest produs.
Caracteristici
pentru numar articol
09.9624.24
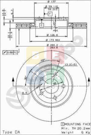
Tip disc frâna
ventilat interior
Diametru [mm]
284
Grosime disc frâna [mm]
22
Grosime minima [mm]
20,2
Înaltime [mm]
43,5
Diametru de centrare [mm]
59
Numar gauri
5
Moment strangere [Nm]
9,5


